
Aquivalente Stern Dreieck Umrechnung

Aquivalente Stern Dreieck Umrechnung

Aquivalente Stern Dreieck Umrechnung

Aquivalente Stern Dreieck Umrechnung

Stern Dreieck Transformation Wikipedia

Stern Dreieck Umwandlung Formel Mit Beispiel Mit Video

R 1 R 2 R 3 R 4 R 1 R 2.
Stern dreieck umwandlung spannung Spannung Um mit Hilfe der Teilspannungen U1 und U2 berechnen Um U2 U1. Die kombinierte Stern Dreieck Schaltung ist eine Massnahme zur Herabsetzung des Anlaufstromes beim Starten eines Drehstrommotors. Der Motor wird in zwei Stufen angelassen Stern -- Dreick.
Es kommt drauf an welche Spannung am Strang anliegt. Die Stern-Dreieck-Transformation ist ein. Um entspricht der Leerlaufspannung des Zweipols.
Stern-Dreieck-Umwandlung Misst du zwischen den Punkten 1 und 2 deiner vorhandenen Stern- oder Dreieckschaltung einen gewissen Widerstand beispielsweise 25 Ohm so musst du in der transformierten Stern- bzw. U 12 U 23 U 31 Bei der Dreieckschaltung sind die Außenleiterspannungen U so groß wie die Strangspannungen U Str. Dieser entspricht dem Innenwiderstand Ri des Zweipols.
Wie groß ist die Stromaufnahme I der Schaltung Bild 39 in diesem Lastfall. U q R 1 R 2 R 3 R 4 U 1 U U 2 m 3. Stern-Dreieck-Transformation - Netzwerkanalyse Studium Gehe auf.
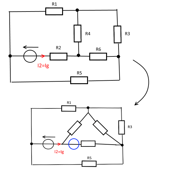
Sternspannungen Dreieckspannungen U U 1N 3 0 U 12 U 30 U U 2N 3 -120 U 23 U - 90 7a 7b U U 31 3 - 240 U 31 U - 210 22. Bei der Sternschaltung wir auch der Strang gemessen Spuleneingang und Spulenausgang wobei der Spulenausgang der Sternpunkt ist. Da eine eine solche Brückenschaltung nicht durch Reihen oder Parallelschaltungen beschrieben werden kann ist es notwendig sie mittels Dreieck-Stern Umwandlung so zu transformieren dass sie durch Reihen und Parallelschaltungen Beschrieben werden kann.
Oft ist es zur Schaltungsvereinfachung günstig die sternförmig verschalteten Widerstände in ein äquivalentes Dreieck umzuwandeln oder umgekehrt. Es gibt Schaltungen in denen drei Widerstände in Form eines Sternes oder eines Dreiecks verschaltet sind Bild 75. Haben wir einen Motor im Dreieck liegt an jeden Strang Spuleneingang und Ausgang gemmessen 400V an.

Stern Dreieck Umwandlung Formel Mit Beispiel Mit Video

Hertz Stern Dreieck Wandlung Und Dreick Stern Wandlung

Stern Dreieck Umwandlung Formel Mit Beispiel Mit Video

Aquivalente Stern Dreieck Umrechnung

Stern Dreieck Umwandlung Formel Mit Beispiel Mit Video

Hertz Stern Dreieck Wandlung Und Dreick Stern Wandlung

Stern Dreieck Umwandlung Grundlagen Der Elektrotechnik Youtube

Hertz Stern Dreieck Wandlung Und Dreick Stern Wandlung

Stern Dreieck Umwandlung Formel Mit Beispiel Mit Video

Stern Dreieck Umwandlung Formel Mit Beispiel Mit Video

Stern Dreieck Transformation Schaltung Schule Technik Technologie

Aquivalente Stern Dreieck Umrechnung