
Stern Dreieck Schaltung Youtube

Stern Dreieck Schaltung Erklart Schutzschaltungen

Stern Dreieck Schaltung Elektricks Com

Stern Dreieck

Elektromotor An Stern Dreieck Schalter Anschliessen Computer Technik Technologie

Motorklemmbrett Fur Drehstrommotor Auswahlen Und Anschliessen

Eaton Schaltungsbuch 0611 4-2 Nockenschalter 4 4 Übersicht Verwendung und Bauformen Eaton Nockenschalter und Lasttrenn- schalter werden eingesetzt als.
Stern dreieck schalter anklemmen Schaltschema Stern MN 3962 KiB Stufenschalter MN. Hierbei sind die 3 Spulenwicklungen wie bei einem Stern verdrahtet also alle Windungen sind an der gleichen Seite zusammengeschaltet und bilden den sog. Weitere Informationen zu dieser Produktgruppe Navigation überspringen.
Ab 40kW sind die Antriebe in Dreieck anzuschließen da sie für 400V690V ausgelegt sind. Hallo ich möchte einen Drehstrommotor4kW mit einem Stern-dreieck-Nockenschalter Betreiben. Stern- Dreieck Schalter anschließen Suche nach.
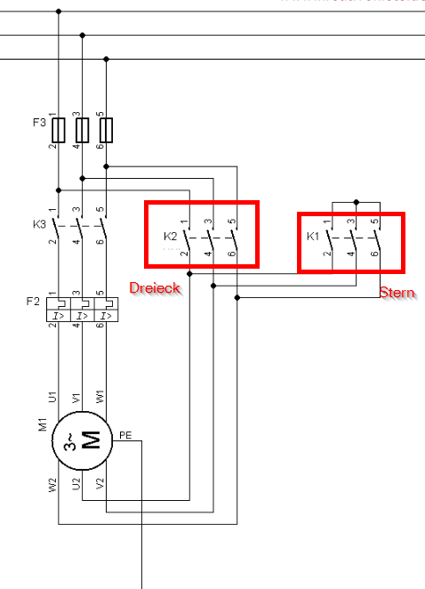
Schaltschema Wende MN 2441 KiB Zur Übersicht Schaltbilder MN. Ab einer Leistung von 009kW- 30kW werden die Motoren in der Regel in Sternschaltung angeschlossen da diese in 230V400V betrieben werden. Beim Stern-Dreieck-Anlauf erfolgt das Anlassen des Dreh-strom-Asynchronmotors durch Umschaltung der Wicklungen.
A Hauptschalter Hauptschalter als. Wende-Stern-Dreieck-Schalter 4-6 Polumschalter 4-7 Verriegelungsschaltungen 4-11 Einphasen-Anlassschalter 4-12 Messgeräte-Umschalter 4-13 Heizungsschalter 4-14 Stufenschalter 4-15. Die kombinierte Stern Dreieck Schaltung ist eine Massnahme zur Herabsetzung des Anlaufstromes beim Starten eines Drehstrommotors.
Motor anschließen nach Typenschild AW. Diese Angaben gelten für. Wer einmal eine alte drehstrombetriebene Kreissäge angeschaltet hat dem wird es unter Umständen passiert sein daß ohne.
Vom Motorklemmbrett bis hin zum Elektroschema Stern Dreieck Schaltung Die kombinierte Stern Dreieck Schaltung ist eine Massnahme zur Herabsetzung des Anlaufstromes beim Starten eines Drehstrommotors. YΔ-Schaltung Stern-Dreieck-Schaltung WAs ist das überhaupt. Sternpunkt während die offenen Enden an die Leitungsphasen angeschlossen werden.

Stern Dreieck

Schaltbilder Stern Dreieck Schalter Merz Schaltgerate De

Stern Dreieckschaltung Kurzschluss Elektrotechnik

Stern Dreieck Schaltung

Stern Dreieck Schaltung Erklart Schutzschaltungen

Schaltbilder Stern Dreieck Schalter Merz Schaltgerate De

Stern Dreieck Schaltung Youtube

Schaltbilder Stern Dreieck Schalter Merz Schaltgerate De

Motorklemmbrett Fur Drehstrommotor Auswahlen Und Anschliessen

Dewiki Stern Dreieck Anlaufschaltung

Nockenschalter Stern Dreieck Schalter 25 A 9 0 Kw

Anlassverfahren Ksb